
解決方案時間:2023/8/26 10:22:01 作者:徽力智 點擊:次

合肥力智傳感器LZ-WZF系列

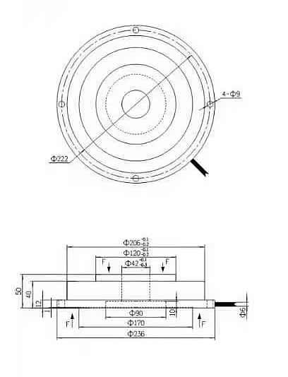
通常車床利用主軸卡盤與尾座頂尖來裝夾工件,為確保工件裝夾的可靠性,在軸向需要施加合適合理的預緊力,為些,應一些車床企業和機床實操用戶的需求,開發生產相配套的車床尾傳感器LZ-WZF系列量程產品。
1:電阻應變式尾座測力傳感器的工作原理,裝夾工件時通過軸向尾座頂尖施加的軸向力,在通孔輻條式結構的尾座傳感器內部有相應的彈性應變區域,彈性元器件,高阻抗的電阻應變片及輸入輸出電路,隨著軸向力的增大或減小,應變片的電阻值相應產生有規律的線性變化,這個變化量轉化成電壓信號,大多為毫伏級電信號。

2:尾座傳感器受軸向頂緊力變化而產生的MV級信號接入合肥力智傳感器系統有限公司相配套的五位數顯示儀表后端,由儀表內主板通過AD轉換成相應的力值N或KN,并通過儀表前面板直觀的呈現出實時的車床尾座頂緊力的大小。

3:通過多家用戶的使用并反饋,尾座頂緊力傳感器的實用性非常強,安裝方便,對頂緊工件的安全性和有效可靠性有較好的效果,LZ-WZF系列尾座頂緊力傳感器有多種量程,合肥力智傳感器系統有限公司根據不同車床型號,頂緊尾座裝置分別量身制作出不同尺寸不同規格的系列產品,均具體有承載能力強,靈敏度高,測量顯示準確,結構緊湊等優點。
